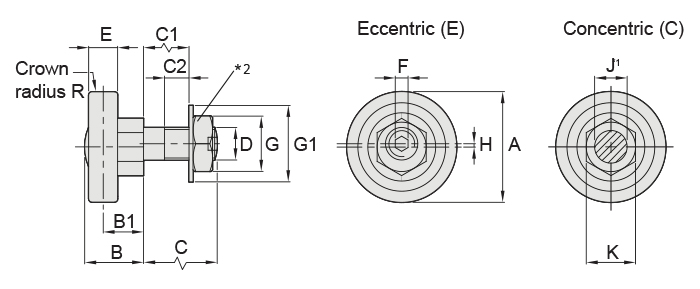
Os Rolamentos de trilho estreito complementam as outras linhas de rolamentos GV3. Estão disponíveis na configuração de fixação com furo passante, em um único comprimento de eixo, tanto na versão fixa do Tipo Concêntrico (C) quanto na versão ajustável do Tipo Excêntrico (E). Os rolos são lubrificados internamente para toda a vida útil; contudo, recomenda-se a lubrificação da superfície de contato.
LRN:

|
Referência
|
Use com | A |
B |
B1 | C |
C1 | C2 | D Metric Fine |
E | F | G |
G1 | H |
J*¹ +0.00 |
K | R | |
![]() |
|||||||||||||||||
| LRN 18 ... | FT 24 12 | 18 | 11.5 | 8 | 14 | 10 | 2.5 | M6x0.75 | 5 | 2.5 | 10 | 13 | 0.7 | 6 | 11 | 500 | |
| LRN 25 ... | FT 32 16 | 25 | 14.5 | 10 | 19 | 13 | 5 | M8x1 | 7 | 3 | 13 | 17 | 0.75 | 8 | 13 | 500 | |
| LRN 34 ... | FT 40 20 | 34 | 18.2 | 12.5 | 22 | 14.8 | 6 | M10x1.25 | 9 | 4 | 17 | 21 | 1 | 10 | 15 | 500 | |
| LRN 54 ... | FT 66 33 | 54 | 29.5 | 21 | 30 | 20.4 | 8 | M14x1.5 | 14 | 6 | 22 | 28 | 1.5 | 14 | 27 | 500 | |
|
Referência
|
Capacidade máxima do Suporte (N) | Capacidade de carga estática (Co) e Dinâmica (C) |
|
| Co (N) | C (N) | ||
| LRN 18 ... | 400 | 593 | 1438 |
| LRN 25 ... | 1000 | 1333 | 3227 |
| LRN 34 ... | 2000 | 2600 | 5921 |
| LRN 54 ... | 5000 | 6657 | 13595 |
Preencha o formulário e nossa equipe entrará em contato para lhe atender.
A OBR oferece soluções eficientes em movimentação linear, amortecimento, isolamento térmico e automação.
Com uma equipe preparada e segmentada, oferecemos um atendimento diferenciado com atenção especial a todos nossos clientes.
