
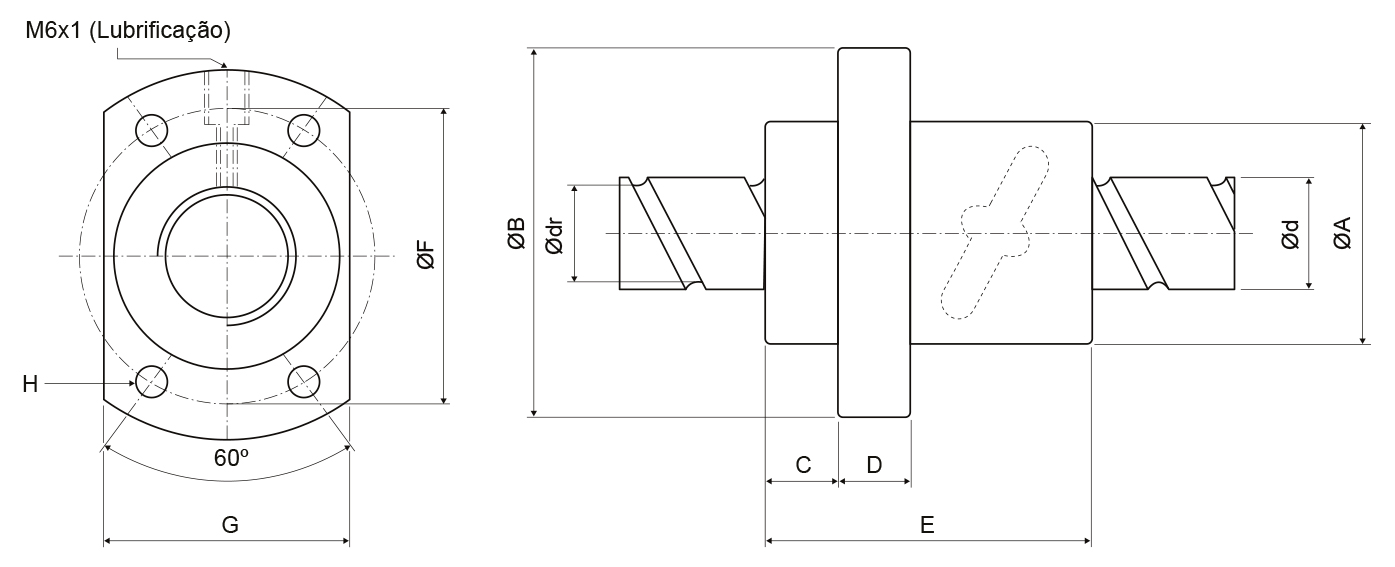
Dimensões em mm.
|
Modelo
|
Diâmetro
Esfera
|
Capacidade de Carga ( Kgf ) | Dimensões da Porca | Diâmetro do Fuso | Passo |
|||||||||
| Dinâmica* | Estática | A | B | C | D | E | F | G | H | d | dr | |||
| OBR-SFYR-1616-3.6 | 2,778 | 1.073 | 2.551 | 32 | 53 | 10 | 10 | 45 | 42 | 34 | 4,5 | 16 | 13,81 | 16 |
| OBR-SFYR-2020-3.6 | 3,175 | 1.387 | 3.515 | 39 | 62 | 13 | 10 | 52 | 50 | 41 | 5,5 | 20 | 17,48 | 20 |
| OBR-SFYR-2525-3.6 | 3,969 | 2.074 | 5.494 | 47 | 74 | 15 | 12 | 64 | 60 | 49 | 6,7 | 25 | 21,94 | 25 |
| OBR-SFYR-3232-3.6 | 4,762 | 3.021 | 8.690 | 58 | 92 | 17 | 12 | 78 | 74 | 60 | 9 | 32 | 28,38 | 32 |
| OBR-SFYR-4040-3.6 | 6,35 | 4.831 | 14.062 | 73 | 114 | 19,5 | 15 | 99 | 93 | 75 | 11 | 40 | 35,26 | 40 |
| OBR-SFYR-5050-3.6 | 7,938 | 7.220 | 21.974 | 90 | 135 | 21,5 | 20 | 117 | 112 | 92 | 14 | 50 | 44,14 | 50 |
*Carga Dinâmica = 1 x 106 revoluções
Preencha o formulário e nossa equipe entrará em contato para lhe atender.
A OBR oferece soluções eficientes em movimentação linear, amortecimento, isolamento térmico e automação.
Com uma equipe preparada e segmentada, oferecemos um atendimento diferenciado com atenção especial a todos nossos clientes.